有問題嗎?
匡信技術顧問為您服務!
電話:0512-57772351
郵箱:marto@marto.cc
產品選型
油缸種類 | 空白:基本型 | D:雙軸型 | E:可調行程型 | Q:徑向型 | F:油路板型 | FC:前端進油 | RC:后端進油 |
油缸內徑(mm) | φ20,φ25,φ32,φ40,φ50,φ63,φ80,φ100,φ125 | ||||||
油缸行程(mm) | 5,10,15,20,25,30,35,40,45,50,.....,80 | ||||||
軸牙型式 | 空白:內牙,E:外牙 | ||||||
安裝方式 | 空白:基本型 ,AJ:可調型+數值 | ||||||
油封材質 | 空白:NBR/TPU J1 : FPM(耐高溫200°c) J2∶其他 | ||||||
產品尺寸

備注:我們是生產廠家,尺寸可根據要求定制更改
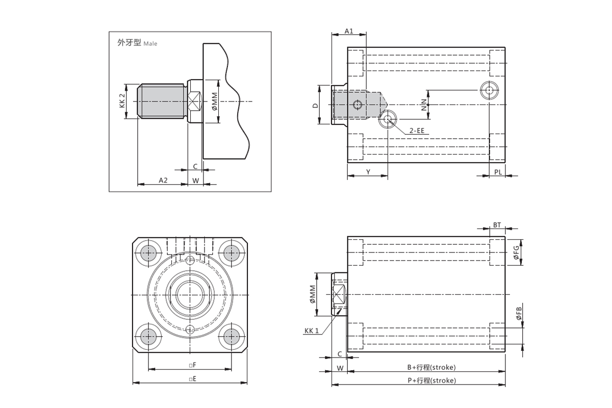
內徑記號 | 內牙 | 外牙 | MM | W | EE | Y | PL | FB | FG | BT | F | E | B | P | D | C | N | ||
A1 | KK1 | A2 | KK2 | ||||||||||||||||
25 | 12 | M10×1.5 | 20 | M10×1.5 | 14 | 8 | PT1/8 | 23 | 10 | 5.5 | 9.5 | 5.5 | 36 | 50 | 46 | 54 | 13 | 6 | - |
32 | 15 | M12×1.75 | 25 | M16×1.5 | 20 | 10 | PT1/4 | 23 | 10.5 | 7 | 11 | 7 | 47 | 62 | 55 | 65 | 17 | 8 | 10 |
40 | 20 | M16×2.0 | 30 | M20×1.5 | 25 | 10 | PT1/4 | 28 | 11 | 9 | 14 | 9 | 52 | 70 | 56 | 66 | 22 | 8 | 10 |
50 | 24 | M20×2.5 | 35 | M24×1.5 | 30 | 11 | PT1/4 | 29.5 | 11 | 11 | 18 | 11 | 58 | 80 | 61 | 72 | 27 | 8 | 10 |
63 | 33 | M27×3.0 | 45 | M30×1.5 | 35 | 13 | PT1/4 | 31 | 16 | 14 | 20 | 13 | 69 | 94 | 71 | 84 | 32 | 10 | 10 |
80 | 33 | M30×3.5 | 55 | M36×1.5 | 45 | 17 | PT3/8 | 35 | 18 | 16 | 23 | 15 | 86 | 114 | 82 | 99 | 41 | 14 | 15 |
100 | 40 | M36×4.0 | 70 | M48×1.5 | 56 | 17 | PT3/8 | 39 | 16 | 18 | 26 | 18 | 102 | 134 | 89 | 106 | 50 | 14 | 15 |
上一個:雙向薄型油缸
下一個:沒有了!
